株式会社森本源
Morihongen.co.,ltd
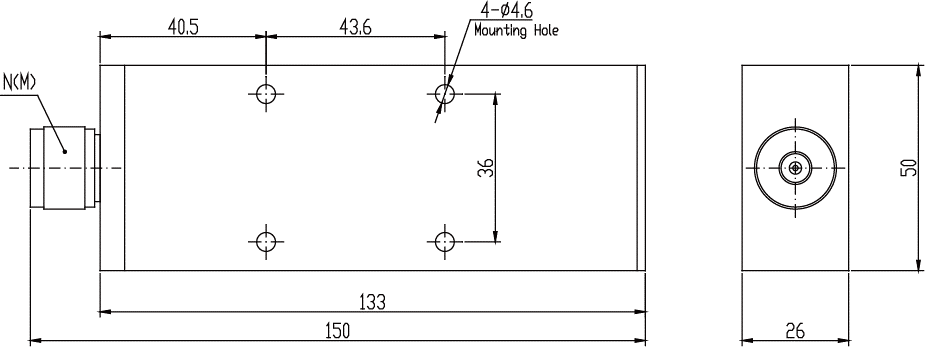
PNTFシリーズ内蔵型負荷は、平均電力50~300W、周波数範囲DC~4GHzで、広帯域、低VSWR、パルス耐性および焼損耐性に優れています。
詳細についてはお問い合わせください。
在庫状況についてお問合せください。 Contact Form Demoお名前(Name)会社名(Company)電話番号(Tel)メール(Email)商品サイト(Product site)件名(Subject)Your MessageSubmit Form
続きを読む