株式会社森本源
Morihongen.co.,ltd
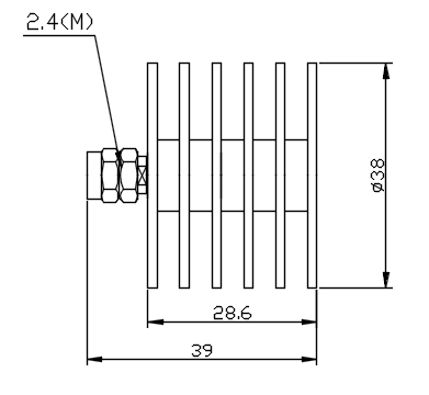
2.4TF10-50同軸固定負荷は、平均電力10W、周波数範囲DC~50GHzで、広い動作帯域、低いVSWR、優れたパルス耐性および耐焼損性能を備えています。
詳細についてはお問い合わせください。
在庫状況についてお問合せください。 Contact Form Demoお名前(Name)会社名(Company)電話番号(Tel)メール(Email)商品サイト(Product site)件名(Subject)Your MessageSubmit Form
続きを読む